Горизонтальный бойлер косвенного нагрева – бак для приготовления горячей санитарной воды путем нагрева от имеющейся системы отопления в горизонтальном исполнении (в большинстве случаев навесные). Данное решение больше всего подходит для обладателей небольших котельных, где нет возможности повесить косвенный водонагреватель в вертикальном положении. Также это отличное решение просто для экономии пространства в котельной, поскольку установка бойлера производится в месте под потолком, которое обычно пустует.
Общая информация
Для того, чтобы вам было проще купить горизонтальный бойлер косвенного нагрева, предлагаем ознакомиться со следующей информацией.
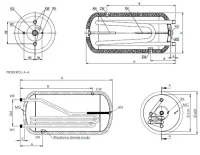
Принцип работы этой установки заключается в подогреве воды при помощи змеевика, проходящей внутри водонагреватель. Теплоноситель системы отопления проходит через теплообменник и отдает часть своей тепловой энергии на нагрев чистой воды в баке. После нагрева воды в резервуаре до заданной пользователем показателя, за счет энергоэффективного кожуха бойлера, потери температуры нагретой воды сводятся практически к нулю.
Горизонтальный водонагреватель косвенного нагрева изготавливаются объемами от 80 до 300 литров (реже другой литражности). Применяются для приготовления ГВС в частных домах, коттеджах, дачах, квартирах, кафе, ресторанах, офисных зданиях и других сооружениях с умеренных расходом горячей воды. Если вы потратите средства на то, чтобы приобрести водонагреватель косвенного нагрева, то избавите себя от головной боли, связанной с периодическим проведением профилактических работ, ремонтом автоматики или нагревательных элементов и других забот, которые могут возникнуть с электрическими водонагревателями.
Прекрасно осознавая ответственность, наши сотрудники включили в перечень продаваемого оборудования лучшие предложения от болгарских, немецких, российских и польских производителей. Свяжитесь с нами, и наши работники помогут вам с выбором конкретной модели исходя из задач, которые должен решить агрегат, и вашего бюджета.
Часто задаваемые вопросы
1️⃣ Какие критерии выбора?
Выбирая горизонтальный косвенный бойлер, необходимо учитывать следующие факторы:
- Количество змеевиков и их площадь, влияющих на скорость подогрева воды;
- Объем бака. Для небольших домов вполне может быть достаточно бака 80-100 л, а для коттеджа или ресторана стоит рассматривать вариант 200 – 300 литров.
- Степень автоматизации (наличие температурных датчиков или их отсутствие);
- Автономность (наличие дополнительного нагревательного элемента или его отсутствие, возможность подключить ТЭН);
- Материал теплообменника, материал бака, внутреннее покрытие бойлера (от этого в частности будет зависеть срок службы изделия);
- Наличие дополнительных элементов. К примеру, встроенный в резервуар магниевый анод продлит срок службы агрегата за счет обеспечения дополнительной защиты от накипи и коррозии.
2️⃣ Какие разновидности горизонтальных бойлеров косвенного нагрева есть в наличии?
В каталоге интернет-магазине Progreem.by доступны к покупке косвенники с 1-м теплообменником, настенного и напольного монтажа, накопители комбинированного типа со встроенным ТЭНом.
3️⃣ Косвенники горизонтального монтажа каких брендов можно приобрести?
Являемся официальным поставщиком и дилером накопительных водонагревателей надежных и проверенных производителей:
- Tesy,
- Buderus,
- Kospel,
- Royal Thermo,
- Elektromet,
- Galmet и др.




